Skip to content Skip to sidebar Skip to footer

Silverado 1500 Silverado Evap System Diagram

Gmc Sierra 2500hd Questions Purge Or Solenoid Evap Vent Located Where Cargurus

Gmc Sierra 2500hd Questions Purge Or Solenoid Evap Vent Located Where Cargurus

Silverado 1500 silverado evap system diagram. Here are the most common problems that will throw the code. In 20 seconds you can become part of the worlds largest and oldest community discussing General Motors Chevrolet and GMC branded pickups crossovers and SUVs. EVAP VENT MIL CTL FTP SIG BRK SW SIG HO2S LO B2S2 CFAN HI CTL ACC SER DATA GMLAN - GND.

2000 Volvo S40 Fuse Box Diagram 2001 Chevy Venture Fan Relay Switch 2003 chevy silverado fuse box diagram fuse box and 2006 chevy silverado o2 sensor ebay vortec 4 8 5 3 6 0 wiring harness info lt1 swap 2006 chevrolet silverado 1500 oxygen sensor 2003 2006 chevrolet. My 2004 Silverado 1500 has been throwing a P0455 for several years. Evaporative canister and related components extended cab with 26 gallon fuel tank-43L engines.

Silverado P0455 Trouble Code Causes. The EVAP system deals directly with fuel vapors. P0442 EVAP System Leak Detected Small Leak.

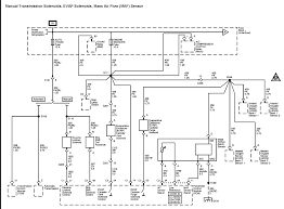
SYSTEM WIRING DIAGRAMS - 1500 Print Date. At the time I didnt have the money so I just decided to wait and it eventually cleared on its own. 1999-2013 Silverado.

As part of the Evap system it effectively stores fuel vapors from the gas tank and sends. As part of the Evap system it effectively stores fuel vapors from the gas tank and sends them to the engine. The EVAP IM System Status display indicates whether or not the control module has.

Chevy Silverado 1500 978 Bed 2014 OE Solutions Vapor Canister by Dorman. Access our Silverado 2008 Evaporative Emissions EVAP Purge Control Solenoid Repair Guide Location by creating an account or signing into your AutoZone Rewards account. Evaporative canister and related components extended cab and crew cab with 26 gallon fuel tank-48L 5.

Inside the canister is activated charcoal which absorbs fuel vapors. EVAP Vent Solenoid Valve For Chevy Silverado GMC Sierra 1500 2500 911-019 NEW Fits.

Looking For A Parts Diagram For An Evap System For A 2003 Silverado 1500 Enjine Is Being Swapped Into A Jeep In

Looking For A Parts Diagram For An Evap System For A 2003 Silverado 1500 Enjine Is Being Swapped Into A Jeep In

Chevy 1500 2005 Iam Getting Emission Vent Valve Code How Do I Repair

Chevy 1500 2005 Iam Getting Emission Vent Valve Code How Do I Repair

Evap Vent Valve Location Ask The Gm Technician Gm Trucks Com

Evap Vent Valve Location Ask The Gm Technician Gm Trucks Com

Filling Gas Tank And Pump Keeps Shutting Off Replaced Vent Valve Already Gm Truck Club Forum

Filling Gas Tank And Pump Keeps Shutting Off Replaced Vent Valve Already Gm Truck Club Forum

Chevrolet Silverado 2014 Present Why Is My Check Engine Light On Chevroletforum

Chevrolet Silverado 2014 Present Why Is My Check Engine Light On Chevroletforum

Broke Fitting That Snaps On Top Of Purge Valve For Vapor Canister Chevy Avalanche Fan Club Of North America

Broke Fitting That Snaps On Top Of Purge Valve For Vapor Canister Chevy Avalanche Fan Club Of North America

2006 Silverado Po449 Code Chevrolet Forum Chevy Enthusiasts Forums

2006 Silverado Po449 Code Chevrolet Forum Chevy Enthusiasts Forums

Gmc Chevy Truck Dtc P0449 Evap Vent Solenoid Control Circuit Youtube

Gmc Chevy Truck Dtc P0449 Evap Vent Solenoid Control Circuit Youtube

Evaporative Purge Cannister Performancetrucks Net Forums

Evaporative Purge Cannister Performancetrucks Net Forums

2006 Chevy Silverado Evap System 2004 2020 Gm 2007 2013 Chevrolet Silverado Evap Emission Canister Purge Valve Solenoid Oem 12597567 Quirkparts Chevrolet Silverado 1500 Car And Truck Stantoncarne

2006 Chevy Silverado Evap System 2004 2020 Gm 2007 2013 Chevrolet Silverado Evap Emission Canister Purge Valve Solenoid Oem 12597567 Quirkparts Chevrolet Silverado 1500 Car And Truck Stantoncarne

Evaporative Purge Cannister Performancetrucks Net Forums

Evaporative Purge Cannister Performancetrucks Net Forums

How To Replace Your Evap Canister Solenoid P0455 Code Chevrolet Colorado Gmc Canyon Forum

How To Replace Your Evap Canister Solenoid P0455 Code Chevrolet Colorado Gmc Canyon Forum

Evap Vent Solenoid Location 2006 Sierra 5 3l 1999 2013 Silverado Sierra 1500 Gm Trucks Com

Evap Vent Solenoid Location 2006 Sierra 5 3l 1999 2013 Silverado Sierra 1500 Gm Trucks Com

Part 1 How To Test The Evap Purge Solenoid 1999 2003 V8 Silverado Sierra Suburban Tahoe Yukon

Part 1 How To Test The Evap Purge Solenoid 1999 2003 V8 Silverado Sierra Suburban Tahoe Yukon

Filling Gas Tank And Pump Keeps Shutting Off Replaced Vent Valve Already Gm Truck Club Forum

Filling Gas Tank And Pump Keeps Shutting Off Replaced Vent Valve Already Gm Truck Club Forum

P0496 Evaporative Emission Evap System High Purge Flow Troublecodes Net

P0496 Evaporative Emission Evap System High Purge Flow Troublecodes Net

Vapor Vent Solenoid Im Getting Code P0449 Vapor Vent Solenoid I

Vapor Vent Solenoid Im Getting Code P0449 Vapor Vent Solenoid I

P0446 Evaporative Emission Control System Vent Control Circuit Malfunction

P0446 Evaporative Emission Control System Vent Control Circuit Malfunction

Filling Gas Tank And Pump Keeps Shutting Off Replaced Vent Valve Already Gm Truck Club Forum

Filling Gas Tank And Pump Keeps Shutting Off Replaced Vent Valve Already Gm Truck Club Forum

When Replacing The Evap Canister Does The Filter Box Relocation Have To Be Above The Transmission What Is The Purpose

When Replacing The Evap Canister Does The Filter Box Relocation Have To Be Above The Transmission What Is The Purpose

Where Is Evap Vent Valve Located On 1996 Chevy Blazer Fixya

Where Is Evap Vent Valve Located On 1996 Chevy Blazer Fixya

2004 Chevy Silverado Fuel Cap My Check Engine Light Indicating My

2004 Chevy Silverado Fuel Cap My Check Engine Light Indicating My

Evap System Top 5 Reasons For A Check Engine Light To Come On

Evap System Top 5 Reasons For A Check Engine Light To Come On

1

1

Vapor Canister Filter Location 2010 Silverado 4 8l

Vapor Canister Filter Location 2010 Silverado 4 8l

Part 1 How To Test The Evap Purge Solenoid 1999 2003 V8 Silverado Sierra Suburban Tahoe Yukon

Part 1 How To Test The Evap Purge Solenoid 1999 2003 V8 Silverado Sierra Suburban Tahoe Yukon

Chevy Silverado P0455 Evap System Large Leak Detected Diagnosis Drivetrain Resource

Chevy Silverado P0455 Evap System Large Leak Detected Diagnosis Drivetrain Resource

Where Is The Evap Canister And Vent Solenoid Valve On A 2004 Silverado How Do I Test And Replace

Where Is The Evap Canister And Vent Solenoid Valve On A 2004 Silverado How Do I Test And Replace

Solved The Purge Valve On My 2007 Chevy Silverado 1500 Fixya

Solved The Purge Valve On My 2007 Chevy Silverado 1500 Fixya

P1441 Evaporative Emission Evap System Flow During Non Purge Buick Cadillac Chevrolet Dodge Gm Isuzu Pontiac Saturn Troublecodes Net

P1441 Evaporative Emission Evap System Flow During Non Purge Buick Cadillac Chevrolet Dodge Gm Isuzu Pontiac Saturn Troublecodes Net

17 1986 Chevy Truck Engine Diagram Truck Diagram Wiringg Net Truck Engine Chevy Trucks 1984 Chevy Truck

17 1986 Chevy Truck Engine Diagram Truck Diagram Wiringg Net Truck Engine Chevy Trucks 1984 Chevy Truck

Part 1 How To Test The Evap Vent Solenoid 1999 2002 V8 Chevrolet Silverado Gmc Sierra

Part 1 How To Test The Evap Vent Solenoid 1999 2002 V8 Chevrolet Silverado Gmc Sierra

P0446 Evaporative Emission Control System Vent Control Circuit Malfunction

P0446 Evaporative Emission Control System Vent Control Circuit Malfunction

Howardspellman S Blog Food And Drink

Howardspellman S Blog Food And Drink

Need Fuel Line Diagram For 2007 Chevy Silverado Chevrolet Silverado Classic 1500 Answered Cargurus

Need Fuel Line Diagram For 2007 Chevy Silverado Chevrolet Silverado Classic 1500 Answered Cargurus

How To Replace Evap Canister 96 99 Chevy Tahoe Youtube

How To Replace Evap Canister 96 99 Chevy Tahoe Youtube

Vent Solenoid Location The 1947 Present Chevrolet Gmc Truck Message Board Network

Vent Solenoid Location The 1947 Present Chevrolet Gmc Truck Message Board Network

P0430 Hello Again Sorry To Keep Bothering You Guys But On The

P0430 Hello Again Sorry To Keep Bothering You Guys But On The

The Evap System Gen Iii And Iv Small Block Drivetrain Gm Trucks Com

The Evap System Gen Iii And Iv Small Block Drivetrain Gm Trucks Com

I Have A 2002 Chevrolet Tracker 2 0 4 Cyl 4wd Code P0449 On Scanner For Evap Canister Vent Solenoid Valve Where Is It

I Have A 2002 Chevrolet Tracker 2 0 4 Cyl 4wd Code P0449 On Scanner For Evap Canister Vent Solenoid Valve Where Is It

Chevrolet Silverado 2008 Fuel Tank Evap Vapor Pressure Sensor Repair Guide Autozone

Chevrolet Silverado 2008 Fuel Tank Evap Vapor Pressure Sensor Repair Guide Autozone

Evap System Testing Ls1gto Forums

Evap System Testing Ls1gto Forums

Evaporative Emission Control Evap System Fixd Best Obd2 Scanner

Evaporative Emission Control Evap System Fixd Best Obd2 Scanner

Fuel System Components For 2003 Chevrolet Silverado 1500 Gm Parts Online

Fuel System Components For 2003 Chevrolet Silverado 1500 Gm Parts Online

Fuse Box Chevrolet Silverado 1999 2007

Fuse Box Chevrolet Silverado 1999 2007

Location Of Evap Solenoid In 2007 Cobalt Fixya

Location Of Evap Solenoid In 2007 Cobalt Fixya

How To Replace Vapor Canister Purge Valve 04 06 Chevy Avalanche Youtube

How To Replace Vapor Canister Purge Valve 04 06 Chevy Avalanche Youtube

Tracker 101 Intro To The Evap System Chevrolet Forum Chevy Enthusiasts Forums

Tracker 101 Intro To The Evap System Chevrolet Forum Chevy Enthusiasts Forums

1

1

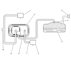
EVAP Hose Routing Diagram.

2015 chevy silverado wiring diagram - Building electrical wiring layouts show the approximate locations as well as affiliations of receptacles lights and also irreversible electrical solutions in a structure. Where can i find some information on an vacuum emissions control diagram for a 1988 Chevy silverado 1500. Access our free Evaporative Emissions EVAP Canister Repair Guide for Silverado 2008 through AutoZone Rewards. 1999-2013 Silverado. In 20 seconds you can become part of the worlds largest and oldest community discussing General Motors Chevrolet and GMC branded pickups crossovers and SUVs. At the time I didnt have the money so I just decided to wait and it eventually cleared on its own. Access our Silverado 2008 Evaporative Emissions EVAP Purge Control Solenoid Repair Guide Location by creating an account or signing into your AutoZone Rewards account. Evaporative canister and related components extended cab with 26 gallon fuel tank-43L engines. Want a complete diagram of the evap system for a 2004 chevy silverado 48 engine - Chevrolet 2004 Silverado 1500 Crew Cab question.


Years ago the check engine light came on and I was in a hurry so I took it to a dealership where they quoted me a small fortune to check the valve solenoid smoke test etc. The 2004 Chevy Silverado EVAP canister is located on the front side of the fuel tank. 2015 chevy silverado wiring diagram - Building electrical wiring layouts show the approximate locations as well as affiliations of receptacles lights and also irreversible electrical solutions in a structure. Sign up for FREE. EVAP VENT MIL CTL FTP SIG BRK SW SIG HO2S LO B2S2 CFAN HI CTL ACC SER DATA GMLAN - GND. Chevy Silverado 2009 OE Solutions Vapor Canister by Dorman. As part of the Evap system it effectively stores fuel vapors from the gas tank and sends.

Post a Comment for "Silverado 1500 Silverado Evap System Diagram"